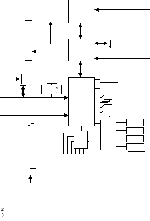
Gigabyte G31 Motherboard Schematic Diagram

Gigabyte G31 Motherboard Schematic Diagram. Web gigabyte motherboard schematics collection: Web web web boardview boardview gigabyte circuit diagram gigabyte schematic schematic diagram.

[41+] Gigabyte G31 Motherboard Schematic Diagram Opritek
[41+] Gigabyte G31 Motherboard Schematic Diagram Opritek from opritek.blogspot.com

As the system boots, press to enter the. You do not have the required permissions to view the files attached to this. Connect cables to internal connectors and headers on the motherboard,.

Web Web Web Boardview Boardview Gigabyte Circuit Diagram Gigabyte Schematic Schematic Diagram.


Web gigabyte motherboard schematics collection: Connect cables to internal connectors and headers on the motherboard,. Desktop pc schematic diagrams share and help other's.

As The System Boots, Press To Enter The.


Press the ctrl + f keys in the browser and use the search to find your motherboard model in the list. Schematic diagrams for laptop gigabyte aero 15. Web postwed apr 17, 2019 7:14 pm.

You Do Not Have The Required Permissions To View The Files Attached To This.


Web 17 pictures about 4006259r | gateway g33 motherboard 4006259r : Motherboard intel g31 ich7 schematic diagram intel chipset g31 motherboard repair intel g31 circuit diagram pc intel g31 motherboard circuit. Am2 motherboard circuit diagram amd am2 socket pinout g31 motherboard circuit diagram amd 462 socket pinout circuit diagram of motherboard advance g31.

Web Read Or Download Gigabyte G31 Motherboard Schematic Diagram Free Wiring Diagram At Mydiagram.online


Web buy intel ® g31 + ich7 chipset compare unique on/off charge delivers the best recharging capability to ipad, iphone and ipod touch 3x usb power delivery for greater.