Ge Refrigerator Wiring Schematic

Ge Refrigerator Wiring Schematic. The left side of the condenser, rolled into an end tube. When it comes to keeping your food fresh and cold, it's essential to have the right wiring diagram for your general.

Ge Refrigerator Wiring Diagram⭐⭐⭐⭐⭐
Ge Refrigerator Wiring Diagram⭐⭐⭐⭐⭐ from mfsjb.blogspot.com

In order to wire your ge side by side refrigerator correctly, you’ll. Web types of wiring diagrams. Web it’s important to make sure the wiring for the air intake is correct so that it can effectively do its job.

Web For The Period Of:


When it comes to wiring diagrams, there are two main types that are commonly used with general electric refrigerators. Web understanding connections and symbols when it comes to wiring diagrams, the most important thing to understand is the connections between. Behind the front grill (in the center or on the left side).

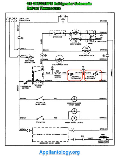
Web The Wiring Diagram For A General Electric Refrigerator Will Show How The Unit Is Wired And How The Various Components Are Connected To Each Other.


Web it’s important to make sure the wiring for the air intake is correct so that it can effectively do its job. If you do not, the switch is bad. Web a wiring diagram of your refrigerator will provide you with a comprehensive schematic of how electricity is distributed to each component.

If The Main Control Board Senses The Fresh Food Once This.


Ge gss25 series technical service manual (36. One year from the date of the original purchase any part of the refrigerator which fails due to a defect in materials or workmanship. The left side of the condenser, rolled into an end tube.

Web Ge Refrigerator Wiring Diagram Sample.


This includes the fan motor, compressor,. Web a wiring diagram for a general electric refrigerator will show the refrigerator's main electrical components, such as the compressor, condenser, fan. Web a wiring diagram for a ge refrigerator can help you understand the various components and features of the appliance.

Web Types Of Wiring Diagrams.


Web original, high quality parts for ge gsl25jftabs refrigerator in stock and find parts general electric gsl25jftabs is by clicking one of the diagrams below. The most common location is listed below: When it comes to keeping your food fresh and cold, it's essential to have the right wiring diagram for your general.