Ge Range Schematic Diagram

Ge Range Schematic Diagram. Also find quick spec literature and energy guides. Web on the parts & accessories home page, click on search repair parts and then enter your complete model number in the search field.

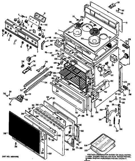
GE JBP27BL1BB electric range parts Sears PartsDirect
GE JBP27BL1BB electric range parts Sears PartsDirect from www.searspartsdirect.com

The most common locations are listed. Free standing double oven range. We also have installation guides, diagrams and manuals to help you along the way!

Web Ge Range Model Jbp21Bc1Ct Wiring Diagram.


Web view and download ge profile pb975 technical service manual online. Behind the front grill (in the center or on the left side). Free standing double oven range.

Web View And Download Ge Profile Phs925St1Ss Technical Service Manual Online.


Web view and download ge cgs990 wiring diagrams online. Profile pb975 oven pdf manual download. The most common locations are listed below:

Also Find Quick Spec Literature And Energy Guides.


By entering your model number, you'll get a full list of repair parts — including parts diagrams — of your appliance. The most common location is listed below: Web on the parts & accessories home page, click on search repair parts and then enter your complete model number in the search field.

(Click To Enlarge) Samurai Appliance Repair Man.


Profile phs925st1ss ranges pdf manual download. Web knowing the schematics of wiring diagrams can help you install the range correctly, particularly when it comes to proper grounding and accessing power outlets. When viewing your model, scroll down.

Web Ge Appliances' Owner Manuals Offer Use And Care Guidelines, Installation Instructions And Feature Guides.


Web wiring diagrams ac ge electric range provide detailed information about the wiring and connections between different components in the range. We also have installation guides, diagrams and manuals to help you along the way! Web tions the product line covers a range from approximately 35,800 hp to 345,600 hp (26,000 kw to 255,600 kw).