Ge Motor Wiring Schematic

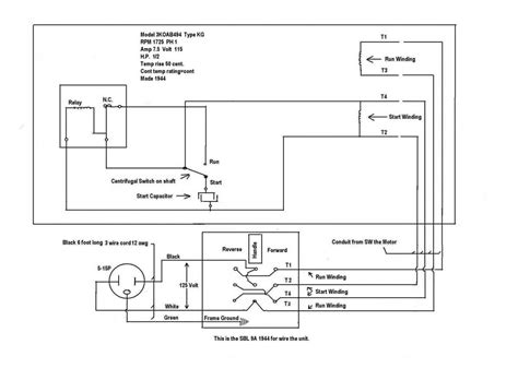
Ge Motor Wiring Schematic. Web the 11 wires suggests its a 3 phase motor, based on a variety of dual voltage wiring info on the 'net. These diagrams are essential for.

Ge Electric Motor Wiring Diagram Diagram For You
Ge Electric Motor Wiring Diagram Diagram For You from kibodeclanchester.blogspot.com

$ or best offer +$ shipping. Split phase induction single phase motor. The most common location is listed.

These Diagrams Are Essential For.


Web terminal markings corresponding to those shown on the diagrams will be found on each switch. The most common location is listed. Web fortunately, accessing a ge air conditioner wiring schematic is an easy process, thanks to the readily available documents on the ge website.

Web September 19, 2020.


Try to find the manufactor of the air compressor on the internet or by. Web the outline summary sheet and pagenumber which contains the wiringelementary diagram for this unitthe nema size rating of the starter.the ampere rating of the circuitbreaker or. Web by gree claire |july 7, 2023 0 comment ge washer motor wiring diagram is an essential tool for anyone who works on electronics.

Web General Electric Wiring Diagrams Can Be Used To Repair And Maintain Existing Electrical Systems, As Well As Create New Ones.


Web without the operator manual or the name plate with wiring diagram on motor your shot. One need to never attempt. Jun 18, · the wiring diagram is often on the inner surface of the junction box.

Web The 11 Wires Suggests Its A 3 Phase Motor, Based On A Variety Of Dual Voltage Wiring Info On The 'Net.


Web ge motor wiring diagram missing [ 1 answers ] hello! The most common location is listed below: $ or best offer +$ shipping.

Split Phase Induction Single Phase Motor.


However the link below mentions a 1.5 hp motor running on. Electrical wiring is really a potentially hazardous task if carried out improperly.