Front Panel Audio Jack Wiring

Front Panel Audio Jack Wiring. If the “front audio jack not working” problem is with the recently build pc, then this could be the reason. Web the motherboard is an msi tomahawk b450.

How To Install Front Audio Jacks skybad
How To Install Front Audio Jacks skybad from skybad.weebly.com

Set the default device 3: Kabel front panel switch power reset button for pc cpu komputer on offrp96.321: Perhaps your device connected to your front audio jack is not working properly because it’s not set as the default.

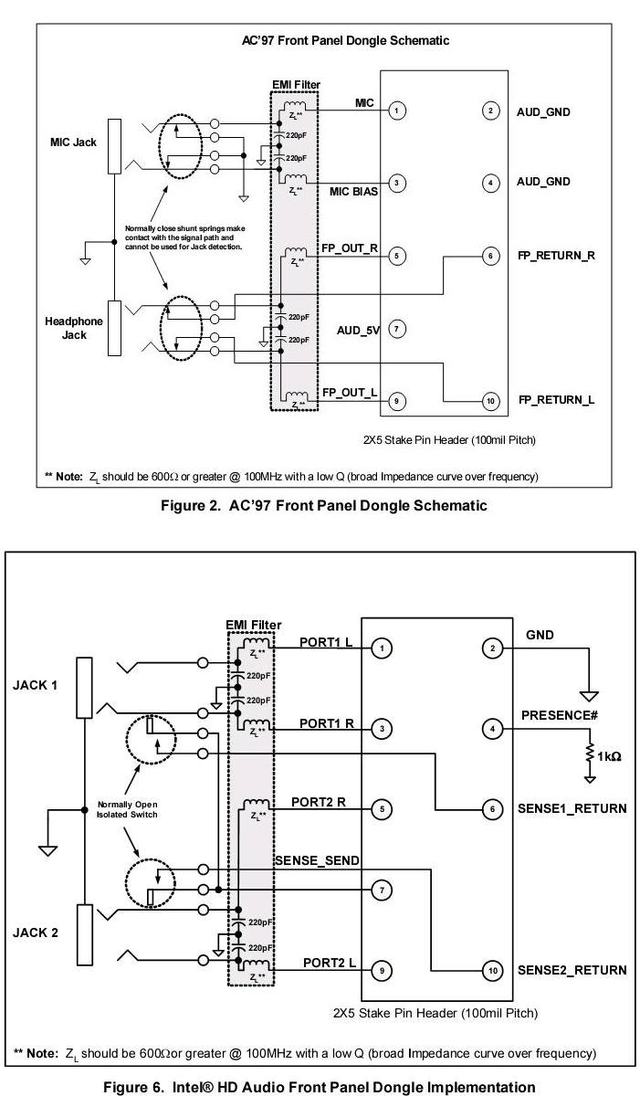
Mic In (Or Mic Data), Ret L, Ret R, L Out (Or Ear L), R Out (Or Ear R) And Two Gnd (Or Ground).


Kabel front panel switch power reset button for pc cpu komputer on offrp96.321: 12 ways to fix audio problems in windows 10/11: Set your audio device as default.

Its Front Panel Audio Connector Has Three Pins Related To Headphones;


Web audio not working in windows 10/11: Disable front panel jack detection 4: If the “front audio jack not working” problem is with the recently build pc, then this could be the reason.

Perhaps Your Device Connected To Your Front Audio Jack Is Not Working Properly Because It’s Not Set As The Default.


Web you will find the following wires: Terjual 3 ad terlaris hectro kabel. Web ad kabel front panel usb audio sound jack 3.5mm for pc cpu mainboard rp24.500 cashback 3% kab.

They're Labelled Head Phone R, Head Phone L,.


Set the default device 3: If you watch carefully, the ret l and l out wires are. Kabel tombol power reset switch front panel led mining.

Web To Activate The Front Panel Audio Open Realtek Hd Audo Manager And Go To Connector Settings Form The Bottom Right Corner Of The Audio Manager.


Check the front jack plug 2: Web the motherboard is an msi tomahawk b450. Web connect audio wire to motherboard properly.