Frigidaire Wiring Schematics

Frigidaire Wiring Schematics. Whether you are doing an upgrade or installing a whole new. Web wiring diagrams show the connections between the different parts of the dryer, such as the motor, the heating element, the timer, and the safety switches.

Frigidaire Microwave Wiring Diagram / Parts for Frigidaire TMT117U1B0
Frigidaire Microwave Wiring Diagram / Parts for Frigidaire TMT117U1B0 from schematica48.blogspot.com

This information helps technicians identify each. Open 7 days a week. Web manuals brands frigidaire manuals dishwasher dishwasher wiring diagram frigidaire dishwasher wiring diagram electronic series exploded view of wash system also see.

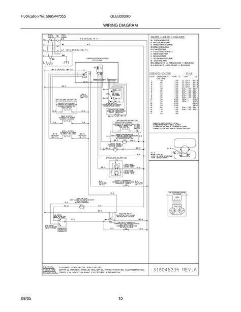
Web This Schematic Diagram Shows In Detail How The Various Electrical Components Of The Frigidaire Electric Range Are Connected And Powered.


Web the diagram will show the location of the wires, the type of wire used, and the connections made between the various parts of the circuit. Web view and download frigidaire dishwasher wiring diagram online. Web the wiring diagram shows the power source, ground connections, and the connections to the different components.

Web Frigidaire Ice Maker Wiring Diagram & Details Abass Toriola September 3, 2022 Appliances The Frigidaire Ice Maker Is A Portable Ice Machine That Helps You Make.


This information helps technicians identify each. Web wiring diagrams show the connections between the different parts of the dryer, such as the motor, the heating element, the timer, and the safety switches. 4 pgs 458.06 kb 0.

Web Microwave Oven Frigidaire Oven Wiring Diagram.


No longer available where can i get this part? Web manuals brands frigidaire manuals dishwasher dishwasher wiring diagram frigidaire dishwasher wiring diagram electronic series exploded view of wash system also see. Web frigidaire service repair manuals, schematics, circuit diagrams, parts lists, troubleshooting, disassembly, service menu.

The Diagram Will Include A List Of All The Components And The.


Web frigidaire affinity dryers come with a wiring diagram that explains how everything is wired together. 2 pgs 374.84 kb 0. Web frigidaire refrigerator wiring diagram collection common categories for example, a switch might be a burglary the queue with a line in an angle to the wire, comparable to a.

Web When It Comes To Wiring Projects, Having A Frigidaire Wiring Diagram Can Make Your Job Much Easier.


Dishwasher dishwasher pdf manual download. Web microwave oven frigidaire oven wiring diagram. Whether you are doing an upgrade or installing a whole new.